

1972년, 세이부전기는 세계 최초로 ‘CNC 와이어 방전가공기’ 개발에 성공하였습니다.
이후 수많은 기능을 탑재하여 2003년에 고생산성・초정밀 와이어 방전가공기 M시리즈로 다시 태어났습니다.
그리고 이번에 정밀도를 더욱 업그레이드시킨 MM시리즈가 탄생. 한 줄의 전극선이 금속을 미세하고 매끄럽게, 의도한 대로 가공해 나가는…
그 높은 가공정밀도는 전통기술인 ‘기사게’를 몇 번이고 반복하여 기계가공으로는 불가능한 평면을 가공할 수 있기 때문입니다.
세이부전기의 가공기에 대한 정열은 앞으로도 변함 없이 새로운 도전을 계속해 나갈 것입니다.


MM을 초월한 가공정밀도
MM을 능가하는 피치 가공정밀도를 실현해냈습니다.
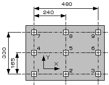
워크 테이블두께:20mm
사용 와이어 지름:φ0.2mm
가공 횟수:5회
가공면 밀도:Ra0.21μm/Rz1.76μm
3차원 측정기:ZEISS PRISMO5 SPACC

위 도면의 스트로크 피치 가공에서 X축은Range1.3μm,Y축은 Range 1.0μm라는 정밀도를 얻는 데 성공하였습니다.
종래의 상식을 뒤엎을만한 ‘초고정밀도 영역 가공’을 실현해 드립니다.
확실하게 연결하는 자동결선장치기능과 업계 최고의 피치 형상정밀도로 고객 여러분의 생산성・품질 향상에 공헌하겠습니다.
초정밀 금형에 대응가능한 가공정밀도를 실현! 세계 최고의 자동결선장치로 순송 플레이트 가공 등 결선 횟수가 많은 가공도 안심.

MM에서는 Φ0.07와이어까지 대응가능했지만 Ultra MMB에서는 초정밀, 미세가공에 빼놓을 수 없는 Φ0.05와이어도 대응가능하게 되었습니다.
사람의 머리카락은80~100μm. 사람의 머리카락보다 얇은 50μm의 와이어를 80μm의 스타트홀에 결선 가능하며, 실재 운용시의 결선 확립은 90% 이상입니다.
초정밀 금형가공뿐만 아니라 소형정밀부품가공도 가능해져 Ultra MM 1대로 폭넓은 분야에서 다양한 상황에 맞게 대응해 나갈 수 있을 것이라 자부합니다.

| 공작물 최대 치수W×D×H | 800×650×200mm |
|---|---|
| 공작물 최대 질량 | 800kg |
| 각 축 이동량X×Y×Z | 500×350×260mm |
| 사용 와이어전극경 | φ0.05~0.3mm φ0.2mm가 표준 |
| 자동 와이어공급장치 | AWF-4 표준장착 |
| U-V축 이동량U×V | ±60×±60mm |
| 최대 테이퍼 각도 | ±10°/테이블 두께250mm(±45°/테이블 두께40mm:옵션) |
| 외형치수W×D×H | 1,875×1,930×2,050mm |
| 질량 | 3,400kg |
*200~250mm워크는 플러슁 가공.